Pang-industriya na lock ng pinto ng cabinetay ang pangunahing proteksiyon na bahagi ng cabinet ng pamamahagi, cabinet ng komunikasyon, control box at iba pang kagamitan, na direktang nauugnay sa kaligtasan ng mga panloob na bahagi ng elektrikal at ang matatag na operasyon ng system.
Upang matugunan ang sari-saring mga kinakailangan ng oras ng paghahatid at mga detalye para sa iba't ibang mga proyekto, ang aming kumpanya ay palaging may limang uri ng karaniwang ginagamit na mga kandado sa stock --Mahabang Bar Lock, Lock ng Panel, Rod Control Lock, Hawakan ang Lock,Rotary Tongue Lock. Kasabay nito, sinusuportahan namin ang anumang hindi karaniwang lock na na-customize ayon sa mga guhit o sample, na perpektong angkop para sa lahat ng uri ng mga kahon ng pamamahagi ng metal.
Ang lock ng eroplano ay isa sa mga pinakakaraniwang uri ng mga pang-industriyang lock ng pinto ng cabinet, parehong maganda at madaling mapanatili. Inilunsad ng aming kumpanya ang AB301, AB302, AB303, AB402, AB403 series plane lock, sa structural strength, protection performance at operating feel ng differentiated na disenyo, maaaring matugunan ang iba't ibang mga detalye ng distribution box, control cabinet installation requirements.
| Mga sukat | Numero ng Produkto | |||||||
| L1 | L2 | L3 | B1 | B2 | Gray na chrome plating | Gray na spray na pintura | Itim na pinahiran ng pulbos | Timbang(g) |
| 147 | 117 | 72 | 33 | 26.5 | AB301-1-1.2 | AB301-1-1.8 | AB301 | 370 |
| 120.5 | 95.5 | 65 | 30 | 23.5 | AB301-2-1.2 | AB301-2-1.8 | AB302 | 290 |
| 87.5 | 62.5 | 65 | 28.5 | 23.5 | AB301-3-1.2 | AB301-3-1.8 | AB303 | 215 |
Pangunahing materyal: zinc alloy.
Paggamot sa ibabaw: maliwanag na chrome, matte, itim.
Pag-andar at paggamit: Napagtanto ang kaliwa at kanang pagbubukas ng pinto, madaling gamitin, na may sealing at waterproof function.
Pangunahing materyal: zinc alloy.
Paggamot sa ibabaw: maliwanag na chrome, matte, itim.
Pag-andar at paggamit: Napagtanto ang kaliwa at kanang pagbubukas ng pinto, madaling gamitin, na may sealing at waterproof function.
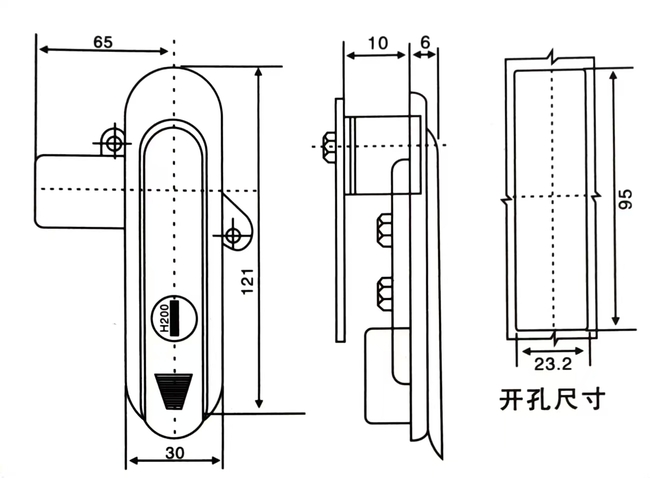
Material: zinc alloy lock body, umiikot na baras, galvanized steel bolt, pressure plate.
Paggamot sa ibabaw: silver grey nano spray.
Paglalarawan ng istraktura: I-rotate ang 90 degrees para buksan o i-lock.
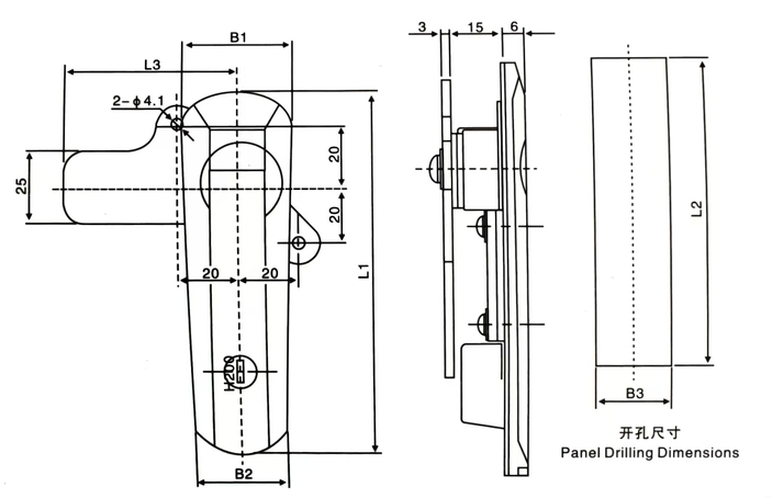
| MODELO | L1 | L2 | L3 | B1 | B2 | B3 |
| BAGONG AB402-A | 123 | 95.5 | 65 | 36.5 | 30 | 23.5 |
| BAGONG AB403-A | 91 | 62.5 | 65 | 33 | 28.5 | 23.5 |
| BAGONG AB401-A | 151 | 117 | 72 | 36 | 30 | 26.5 |
